
The following article contains information on how to create machining for Lamello Cabineo connectors within the legacy Microvellum Component Cabinet Library. For information on inserting Lamello Cabineo connectors into projects using the Microvellum Foundation Library, consult the following announcement on the integration of Lamello branded hardware into the Foundation Library. The world of cabinet joinery technology regularly presents you with new options. You can use dados, dowels, confirmat screws, cams, and screws, or a combination of these joinery methods. Another recent development is the Cabineo connectors produced by Lamello AG Joining Technology.
Using the Lamello Cabineo connectors is a simple process and results in a high-strength joint. It gives you the option of assembling in your shop or flat packing your products and assembling on-site. It is relatively quick to assemble, as well.
Some of our users have decided to use the Cabineo connector because they require no edge drilling, only face drilling. Yet they provide a high-strength joint. Use the following types of CNC machines for the required machining.
Fig. 01 - Lamello Cabineo Can be Drilled or Machined with these Machine Types
Another benefit of the Cabineo is that you pre-assemble the connectors to the flat parts at your shop, so there are no extra bags of hardware that must be shipped to the job or assembly site.
EDGEARRAY Token
Currently, you must use the EDGEARRAY token to add machining for the Cabineo connectors if you want to include the PLINE machining for the finish cap. If you just want to add holes, you can use the CAMLOCK token. We will discuss the EDGEARRAY token in this article.
Library Data Supported
Microvellum libraries of build 50.3 and greater contain the EDGEARRAY token.
Activation Procedure
Use the following procedure to configure Microvellum using a default library build of 50.3 or greater.
- Open Microvellum and then open the Hardware Wizard:
- Toolbox Setup > Project Specification Groups > Access Material File Wizards > Hardware Wizard > Additional Hardware.
- Check the prompt box for ‘Enable Hardware Edge Array.’
- Select connector hardware by clicking the ellipsis button next to the Hardware Edge Array box.
To deactivate default dowels in various parts
- Open Global Variable:
- Toolbox Setup > Project Specification Groups > Open Global File > Machining > General Machining Selections > Boring Pattern Dowels
- Set the boring pattern global ‘Boring_Pattern_Dowels’ to ‘None.’
- Similarly, select the type of boring pattern you use for cabinet assembly of Tops, Bottoms, and Fixed Shelves.
- Dividers, Rails, Nailers, and Toekicks, have individual settings you must set as well.
- Toe Kicks: Boring_Pattern_Toe_Kick_Dowels (Dowel_Pattern_Toe_Kicks) = None
- Stretchers: Boring_Pattern_Stretcher_Dowels = None
- Nailers: Boring_Pattern_Nailer_Dowels = None
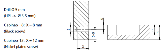
Cabineo Machining Dimensions
Here are the required machining dimensions for the Cabineo connectors.
Fig. 02 - Cabineo Side Panel Machining Dimensions
Fig. 03 - Cabineo Bottom, Top or Fixed Shelf Machining Dimensions
Recent Articles
Microvellum Release Notes | Build 25.2.0206.641
The following release notes apply to Microvellum build 25.2.0206.641. Item Number Fix An issue was reported regarding item numbers in composite drawings. Users who processed work orders with multiple products reported that the item numbers would ...
Microvellum Release Notes | Build 25.2.0204.641
The following release notes apply to Microvellum build 25.2.0204.641. Toolbox Brand Retirement As part of Microvellum’s ongoing alignment with the values and catalog of INNERGY, and to improve user experience, clarity, and consistency, we have ...
MDF Door Profile Guide
Door Wizard The Door Wizard is a Microvellum feature that enables users to interact with and control the specifics of door related variables, prompts, and available settings. The options available in the door wizard vary depending on the specific ...
Microvellum Foundation Library Release Notes | Build 26.0112
Additions In accordance with Microvellum's new subscription changes, all Face Frame Expansion products and subassemblies, as well as the Range Hood Master product have been added to the full library install and library update zips (now included with ...
Toolbox Release Notes | Build 25.2.0114.641
The following release notes apply to Toolbox build 25.2.0114.641 Processing Center Message Fix Fig. 1: An error message running in the background of the software. An issue was reported within the Processing Center. When processing an order, there ...